产品中心
product center-
气象环境监测
-
水文地质监测
-
水质污水监测
-
植保仪器设备
-
公路交通监测
-
光伏辐射监测
-
大气环保监测
-
生化病毒检测
山东雷穹电子科技有限公司
销售电话:15863691020
销售QQ:1379335561
公司地址:山东省潍坊市高新区光电路155号光电产业加速器(一期)
走航式TVOC在线监测系统
【产品简介】一、走航式TVOC在线监测系统产品简介走航式TVOC在线监测系统采用激光为光源的光散射式快速测尘仪,测量原理为:当光照射在空气中悬浮的颗粒物上时,产生散射光,在颗粒物性质一定的情况···
- 型号
- LQ-ZV1
- 品牌
- 雷穹
- 价格
- 电议优惠
- 产品简介
- 详情图片
- 相关产品
一、走航式TVOC在线监测系统产品简介
走航式TVOC在线监测系统采用激光为光源的光散射式快速测尘仪,测量原理为:当光照射在空气中悬浮的颗粒物上时,产生散射光,在颗粒物性质一定的情况下,颗粒物的散射光强度与其质量浓度成正比,通过测量散射光强度,应用质量浓度K值,求得颗粒物质量浓度。
仪器可同时监测(PM10,PM2.5),具有温湿度补偿、仪器自动校准等功能的新型测尘仪器,可有效降低温湿度对测量值的影响,改善高湿度气候环境下测量准确度,可在线连续监测空气中颗粒物。
具备粉尘采样进气及出气功能,具备过滤桶装置、可保护抽气泵的使用寿命,提高仪器的整体使用寿命。可在高温环境下持续监测,可在安装现场高温环境下稳定可靠工作,能够7x24小时不间断工作。
二、走航式TVOC在线监测系统传感器技术参数
1、空气温、湿、气压传感器:
1.1基本原理
本系列产品是采用一款高度集成的温湿度传感器芯片,芯片全测量范围标定的数字输出。它采用专利的CMOSens技术,确保产品具有极高的可靠性与卓越的长期稳定性。传感器包括一个电容性聚合体湿度敏感元件和一个用能隙材料制成的温度敏感元件,这两个敏感元件与一个14位的A/D转换器以及一个串行接口电路设计在同一个芯片上面。
1.2基本参数
空气温度:测量范围:-40℃-60℃ 分辨率:0.1℃ 测量精度:±3%
空气湿度:测量范围:0-100% 分辨率:0.1% 测量精度:±3%
大气压力:测量范围:300~1100hpa 分辨率:0.1hpa 测量精度:±1hpa
2、风速传感器
2.1功能特点
风速传感器是用于测量风的水平速度的专业气象仪器。采用传统三风杯风速传感器结构,风杯选用ABS材料,强度高,同时配合内部顺滑的轴承系统,启动好,确保了信息采集的精确性。杯体内置信号处理单元能根据用户需求输出相应风速信号,可广泛用于气象、海洋、环境、机场、港口、实验室、工农业及交通等领域。
2.2技术参数
测量范围:0-32.4m/s精度:±0.3m/s启动风速:0.2-0.4 m/s
供电电压:7-24v DC
输出信号:4-20mA
风速值=(输出电压-0.4)/1.6*32.4
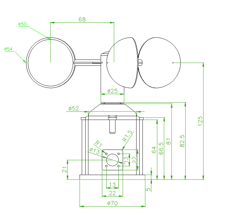
2.3外型尺寸与安装说明

2.4固定方式
采用法兰安装方法,螺纹法兰连接使风速传感器下部管件牢牢固定在法兰盘上,底盘Φ70mm,在Φ61mm的圆周上开四个均Φ5mm的安装孔,使用螺栓将其紧紧固定在支架上,使整套仪器保持在最佳水平度,确保风速数据的准确性,法兰连接使用方便,能够承受较大的压力。
3、风向传感器
3.1功能特点
风向传感器是用于测量风的水平风向的专业气象仪器。其内部采用霍尔角度传感器,并选用低惯性轻金属风向标响应风向,当风向发生变化,尾翼转动通过轴杆带动轴芯磁铁转动,从而在输出变化的电压信号。可以测量以标签北为起点的0-360度的自然界风向,具有很高的性价比,可广泛用于气象、海洋、环境、机场、港口、实验室、工农业及交通等领域。
3.2技术参数
测量范围:0-360度:(0.4V,或4MA对应0度,北的方向)
精度:±1°
启动风速:0.3m/s
供电电压:7-24v DC
输出信号:4-20mA
风向值=(输出电压-0.4)/1.6*360
3.3外形结构

3.4固定方式
采用法兰安装方法,螺纹法兰连接使风向传感器下部管件牢牢固定在法兰盘上,底盘Φ70mm,在Φ61mm的圆周上开四个均Φ5mm的安装孔,使用螺栓将其紧紧固定在支架上,使整套仪器保持在最佳水平度,确保风向数据的准确性,法兰连接使用方便,能够承受较大的压力。
注意:请在安装调试时必须将立柱上的箭头对准实际正北方(可用指南针协助),黑色风向传感器上贴印有黑色箭头的白色标签;
4、泵吸式PM2.5、PM10传感器:
供电电压:DC12V
最大功耗:(电流2.5A)约30W
输出方式:RS485(Modbus)
监测原理:激光散射
除湿原理:加热除湿
气泵流量:2L/min
尺寸:230x175x90(长宽高)
重量:约1.85kg(不含滤芯)
监测指标:
PM2.5 测量范围:0-999ug/m³ 分辨率:1ug/m³ 测量误差:±10%
PM10 测量范围:0-1999ug/m³ 分辨率:1ug/m³ 测量误差:±10%
TSP 测量范围:0-4999ug/m³ 分辨率:1ug/m³ 测量误差:±10%.
噪声 测量范围:40db~130db 分辨率:0.5db 测量误差:±5% 频率范围:10-20KHz;
5、TVOC传感器
5.1技术参数
检测范围:0-5PPM 分辨率0.01PPM 精度<±2%
6、LED:
常规配置,户外P8单色LED单行显示

7、采集器参数:
该数据采集器采用当代微电子技术,对运行中的传感器数据进行记录、存储、显示具有工作可靠、操作简单、数据便于收集和计算机分析等特点。采集器可将采集的数据直接存储到普通U盘中。数据采集完毕后,用户可直接将U盘插入采集器上提取数据。
供电:DC12V/直流
传感器通讯:RS485 Modbus协议
网络数据:GPRS传输
内部时钟:手动校时
数据存储:自动、最大16万条
存储间隔:60-65535可设。单位:秒
RS485接口:DB9针
数据导出:USB口、485口连接电脑、网站下载
本文地址:https://www.sdlqdz.com/zhjcsb/3102.html
- 上一篇:车载扬尘噪声监测仪
- 下一篇:没有了!









