产品中心
product center-
气象环境监测
-
水文地质监测
-
水质污水监测
-
植保仪器设备
-
公路交通监测
-
光伏辐射监测
-
大气环保监测
-
生化病毒检测
推荐文章
联系我们
山东雷穹电子科技有限公司
销售电话:15863691020
销售QQ:1379335561
公司地址:山东省潍坊市高新区光电路155号光电产业加速器(一期)
更新时间:2026-01-30
一氧化碳传感器
【产品简介】一、一氧化碳传感器技术参数型号测量参数测量范围精度分辨率单位工作温度工作湿度QT1一氧化碳0-1000PPM±2PPM1PPMPPM-20℃-+50℃10-95%RH无冷凝QT1S···
- 型号
- LQ-QT1
- 品牌
- 雷穹
- 价格
- 电议优惠
- 产品简介
- 详情图片
- 相关产品
一、一氧化碳传感器技术参数
| 型号 | 测量参数 | 测量范围 | 精度 | 分辨率 | 单位 | 工作温度 | 工作湿度 |
| QT1 | 一氧化碳 | 0-1000PPM | ±2PPM | 1PPM | PPM | -20℃-+50℃ | 10-95%RH无冷凝 |
| QT1S | 0-20PPM | ≤±5% | 0.01PPM | PPM | -20℃-+50℃ | 10-95%RH无冷凝 | |
| QT2 | 二氧化硫 | 0-20PPM | ±1PPM | 0.1PPM | PPM | -20℃-+50℃ | 10-95%RH无冷凝 |
| QT2S | 0-1PPM | ≤±5% | 0.001ppm | PPM | -20℃-+50℃ | 10-95%RH无冷凝 | |
| QT3 | 二氧化氮 | 0-20PPM | ±1PPM | 0.1PPM | PPM | -20℃-+50℃ | 10-95%RH无冷凝 |
| QT3S | 0-1PPM | ≤±5% | 0.001ppm | PPM | -20℃-+50℃ | 10-95%RH无冷凝 | |
| QT4 | 臭氧 | 0-20PPM | ±1PPM | 0.1PPM | PPM | -20℃-+50℃ | 10-95%RH无冷凝 |
| QT4S | 0-1PPM | ≤±5% | 0.001ppm | PPM | -20℃-+50℃ | 10-95%RH无冷凝 | |
| QT5 | 氧含量 | 0~30%VOL | ±3%FS | 0.1%VOL | VOL | -20℃-+50℃ | 5-95%RH 无冷凝 |
| QT6 | 负氧离子 | 0~10万 个/cm³ | ±10% | 10个/cm³ | 个/cm³ | +10℃-+70℃ | 10-70%RH无冷凝 |
| QT7 | 硫化氢 | 0-100PPM | ±2PPM | 1PPM | PPM | -20℃-+50℃ | 10-95%RH无冷凝 |
| QT8 | 甲烷 | 0-100%LEL | ≤±3% | 1%LEL | LEL | -20℃-+50℃ | 10-95%RH无冷凝 |
| QT9 | TVOC | 0-100PPM | 55±15 nA/ppm | 1PPM | PPM | -20℃-+50℃ | 10-95%RH无冷凝 |
| QT10 | 氨气 | 0-100PPM | ±4PPM | 1PPM | PPM | -20℃-+50℃ | 10-95%RH无冷凝 |
| QT11 | 一氧化氮 | 0-250PPM | -2~10PPM | 1PPM | PPM | -20℃-+50℃ | 10-95%RH无冷凝 |
| QT12 | 甲醛 | 0-10PPM | <1PPM | 0.1PPM | PPM | -20℃-+50℃ | 10-95%RH无冷凝 |
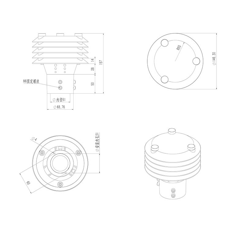
二、一氧化碳传感器产品尺寸图

本文地址:https://www.sdlqdz.com/qtcgq/3121.html
- 上一篇:四气两尘传感器
- 下一篇:高精度一氧化碳传感器








