产品中心
product center-
气象环境监测
-
水文地质监测
-
水质污水监测
-
植保仪器设备
-
公路交通监测
-
光伏辐射监测
-
大气环保监测
-
生化病毒检测
山东雷穹电子科技有限公司
销售电话:15863691020
销售QQ:1379335561
公司地址:山东省潍坊市高新区光电路155号光电产业加速器(一期)
二要素车载气象站
【产品简介】一、二要素车载气象站产品简介二要素车载气象站是一款高度集成、低功耗、可快速安装、便于移动监测的高精度自动气象观测设备。广泛运用于气象、农林、环保、海洋、机场、港口、科学考察、校园教···
- 型号
- LQ-CZ2
- 品牌
- 雷穹
- 价格
- 电议优惠
- 产品简介
- 详情图片
- 相关产品
一、二要素车载气象站产品简介
二要素车载气象站是一款高度集成、低功耗、可快速安装、便于移动监测的高精度自动气象观测设备。
广泛运用于气象、农林、环保、海洋、机场、港口、科学考察、校园教育等领域。
该设备采用二要素一体式传感器,可对风速、风向进行实时观测,传感器外壳采用进口ABS材质,更有效对抗盐雾等环境,防护等级达到IP65以上。
标配485转USB线,可以连接笔记本或者pad直接读取数据。客户可根据自身情况,随机选配pad一台。
二、二要素车载气象站产品特点
1、顶盖隐藏式超声波探头,避免雨雪堆积的干扰,避免自然风遮挡
2、原理为发射连续变频超声波信号,通过测量相对相位来检测风速
3、设备底部配备高强度磁铁(橡胶包裹),可无损吸附于车顶
4、减震手提箱,方便携带
5、内置电子罗盘,自动找北
6、北斗与GPS双模定位,最高精度0.1米
三、二要素车载气象站技术参数
1、风速:超声波原理,0~60m/s(±0.1m/s),可测真实风速
2、风向:超声波原理,0~360°(±2°)
3、数据存储:不少于50万条;
4、功耗:1.75W
5、锂电池:容量12000maH,续航时间≥50h
6、总重量:≤5kg
7、布设时间:1人,不大于2分钟完成布设;
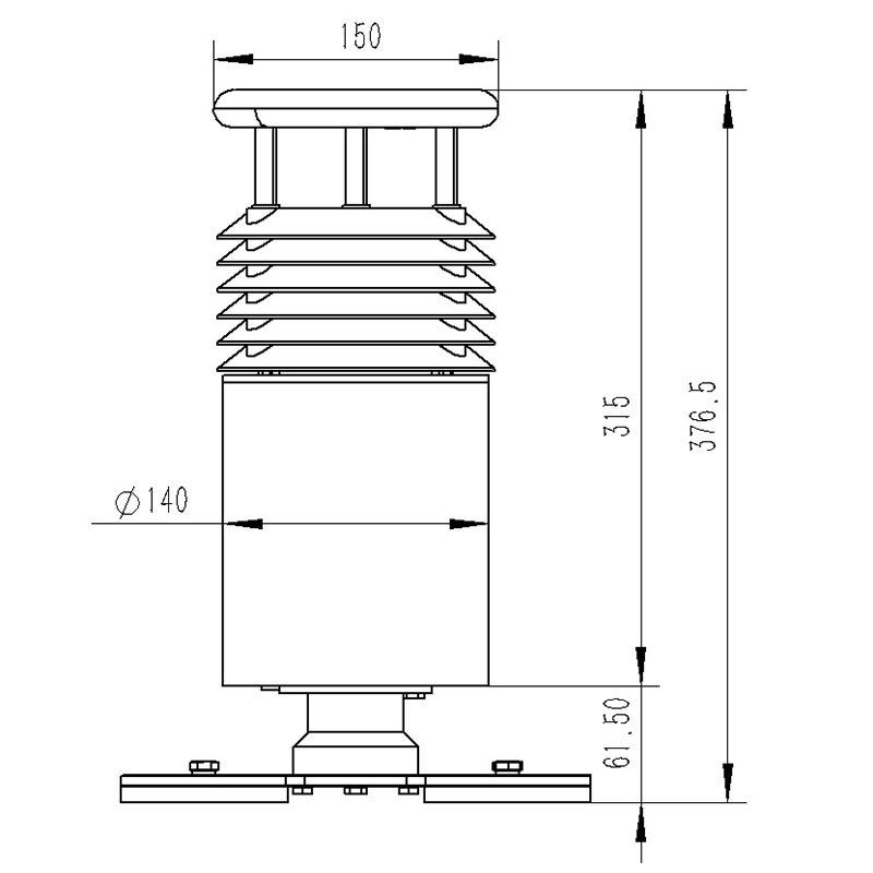
四、二要素车载气象站尺寸图


五、二要素车载气象站上位机软件介绍
1、PC单机版数据接收、存储、查看、分析软件
2、支持串口数据接收、处理、展示
3、支持json字符串、modbus485等通信方式
4、可自设置存储时间,modbus485采集模式下可自设置采集时间
5、支持自助增加、删除、修改监测参数的协议、名称、图标等
6、支持数据后处理功能
7、支持外置运行javascript脚本
本文地址:https://www.sdlqdz.com/czqxz/2616.html
- 上一篇:没有了!
- 下一篇:移动式车载气象站































